首页
|
中心简介
|
学术动态
|
研究方向
|
团队成员
|
研究成果
|
通知公告
|
人才招聘
|
联系我们
|
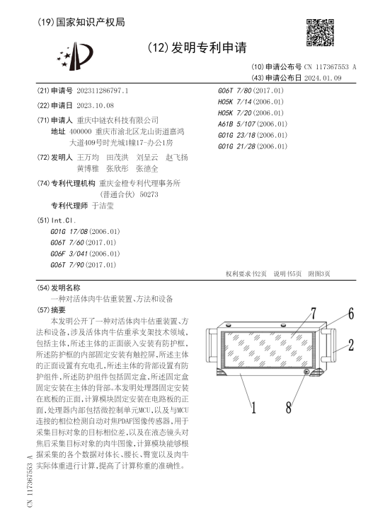
一种对活体肉牛估重装置、方法和设备
2024/4/17 来源: 本站
【字体:
大
中
小
】 【
打印此文
】
一种对活体肉牛估重装置、方法和设备.pdf
责任编辑: 网站管理员
相关链接
南泉校区:重庆市巴南区南泉街道白鹤林16号招生 双桥校区:重庆市双桥经济技术开发区通桥街道西湖大道76号 咨询热线:023-62846626 023-62846636
Copyright 重庆工程学院 版权所有 渝ICP备09014106
技术支持:
讯迈科技