首页
|
采购公告
|
下载中心
|
政策解读
|
部门简介
|
机构设置
部门职责
返回学校
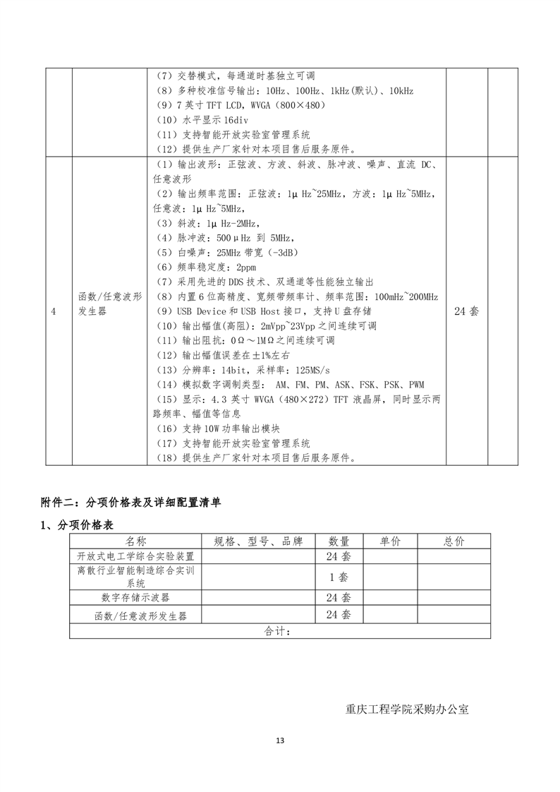
重庆工程学院电工电子技术实验室
2025/6/18 来源: 本站
【浏览量:】
责任编辑: 采购办公室管理员
相关链接
南泉校区:重庆市巴南区南泉街道白鹤林16号招生 双桥校区:重庆市双桥经济技术开发区通桥街道西湖大道76号 咨询热线:023-62846626 023-62846636
Copyright 重庆工程学院 版权所有 渝ICP备09014106
技术支持:
讯迈科技